XHWG-TY调压型高压无功自动补偿成套装置

一、 产品介绍
调压型高压无功自动补偿成套装置从调节手段进行突破,不采用电容器直接投切方法,而通过调压器调节电容器/电抗器的端电压,从而改变无功输出,调节系统功率因数,实现适时适量调节。装置初次投入系统时,在调压器最低输出电压档位投入电容器,避免了全电压投入电容器产生的合闸涌流冲击;调节过程中电容器不脱离电网,因此无充放电过程,能适时调节。所以XHWG-TY调压型高压无功自动补偿成套装置成功解决了电容器运行中过电压、涌流等问题,并且使电容器运行在电容器额定电压以下,保证电容器使用安全,延长使用寿命。调压型高压无功自动补偿成套装置的推广应用能有效降低线损、提高补偿设备的安全性,提高企业的经济效益。
二、 工作原理
XHWG-TY调压型高压无功自动补偿成套装置可以根据用户需要配置为容性补偿、感性补偿和正负双向补偿(既可以补偿容性又可以补偿感性)三种补偿模式。
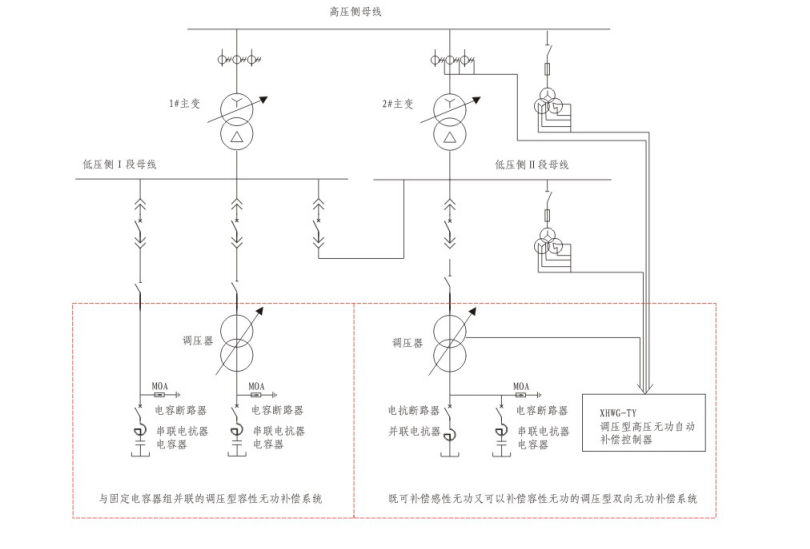
容性无功补偿模式。电容器无功出力大小和电压、频率、容量大小的关系为Q=ωCU2。电容器分组投切方式是通过改变电容量C的大小来改变Q,而调压型采用的是改变电容器端电压即"U"来改变其无功输出容量,实现有级细调的容性无功补偿。
感性无功补偿模式。电抗器无功出力大小和电压、频率、容量大小的关系为Q=U2/(ωL)同理,改变电抗器端电压即"U"就可以改变其感性无功输出容量,实现有级细调的感性无功补偿。
正负双向补偿模式。将电容器/电抗器同时通过开关接入自耦调压器的输出端,通过调节自耦调压器的输出电压使电容器/电抗器端电压变化来调节无功输出,实现容性补偿到感性补偿的有级连续调节。
装置根据系统电压无功参数,按照九区图及模糊控制原理控制主变有载调节开关和自耦调压器有载开关的档位,实现电压无功联调,提高电压合格率和功率因数,保障系统稳定,有效降低线损。
其原理接线图如下:
三、 产品功能及特点
1)装置电容器/电抗器固定接入,不采用投切电容方式调节无功,而是根据和原理,改变电容器/电抗器端电压来调节无功输出,满足系统无功出力要求。端电压从100%Ue到60%Ue(可根据用户要求调整调节范围),电容器/电抗器的无功输出容量就可在额定容量的100%到36%之间调节,调节自耦调压器档位即可实现适量补偿。
2)调压过程中电容器始终不脱离电网,无充放电,因此调节不需延时,可实现适时调节。没有电容器组投切,在调节过程中无过压、涌流存在,可以保证电容器安全,延长其使用寿命。
3)既可实现电压无功的综合控制,也可单独控制主变调压或单独调节无功补偿容量。
4)采用基于九区图的模糊控制算法,得到主变分接头和无功补偿设备的最优配合,控制自耦调压器和主变分接头的调整,在保证电压无功合格率的前提下较大限度的减少动作次数。
5)采用电容器低电压合闸,有效降低电容器合闸涌流对系统及电容器本身的冲击。
6)控制器可实时显示三相电压、三相电流、有功功率、无功功率、功率因数、主变档位和调压器档位等。
7)控制器具备上电保护、掉电保护、母线过压报警、欠压报警、调压器有载开关轻瓦斯报警、调压器有载开关重瓦斯跳闸、调压器本体轻瓦斯报警、调压器本体重瓦斯跳闸、调压器本体压力释放和温度越限报警等全方位的报警保护功能。
8)控制器能保存调档前后的运行参数,记录数据不受停电的影响,便于追忆运行情况。
9)控制器配有320*240点阵大屏幕全汉化数据显示,便于观察。
10)控制器配有微型打印机,可以对所有参数、运行数据和事项记录进行打印。
11)控制器自带USB接口,可以方便地将系统运行的数据记录转存到U盘和移动硬盘等移动存储设备中。
12)保护和闭锁功能
◆ 控制器具有CT、PT断线检测功能,发生断线时将闭锁所有调节功能;
◆ 独有硬件保护电路,控制器内部出现电路故障均不会有误动作输出;
◆ 具有动态自检功能,控制器内部控制参数出错以及非严重性故障均可报警并闭锁;
◆ 控制器出现控制程序混乱时,程序自动恢复正常,在此期间不会有误输出;
◆ 能抵抗严重的谐波干扰,不会出现控制电压误判并引起误动作;
◆ 当出现主变档位信号线异常,报警并闭锁;
◆ 电容器/电抗器故障跳闸时,报警并闭锁;
◆ 主变出现拒升压和拒降压时,报警并闭锁;
◆ 自耦调压器有载开关拒动作时,报警并闭锁;
四、 技术指标
1) 额定电压:6.3kV/10.5kV/38.5kV
2) 套管爬距:31.5mm/kV
3) 阻抗:小于2%(折算到电磁容量)
4) 通信接口:网络接口/RS-232/RS485
5) 通信规约:MODBUS或根据用户定制
6) 温升限值:按GB1094.2标准要求,并考虑一定谐波电流发热(按10%额定电流)
7) 抗干扰:能承受GB/T14598.13规定的共模2500V,差模1000V的1MHz和100kHz的脉冲群干扰,并能承受GB/T17626规定的严酷等级为IV级的快速瞬变、静电放电、浪涌以及辐射电磁场等干扰。
8) 测量误差:≤0.5%

